Chevrolet Trax: Brake shoe replacement
Removal Procedure
WARNING: Refer to Brake Dust Warning .
- Raise and support the vehicle. Refer to Lifting and Jacking the Vehicle
.
- Remove the tire and wheel assembly. Refer to Tire and Wheel Removal and
Installation .
- Remove the brake drum. Refer to Brake Drum Replacement.
.gif)
Fig. 10: Upper Brake Shoe Return Spring
- Remove the upper brake shoe return spring (1).
.gif)
Fig. 11: Brake Shoe Adjuster
- Remove brake shoe adjuster (1).
.gif)
Fig. 12: Brake Shoe Adjuster Actuator Lever
- Remove the brake shoe adjuster actuator lever (1).
.gif)
Fig. 13: Brake Shoe Hold Down Spring & Cup Assemblies
- Remove the brake shoe hold down spring and cup assemblies (1) by
compressing the spring and rotating
the assembly 1/4 turn.
.gif)
Fig. 14: Brake Shoe Hold Down Spring And Cup Assembly Pins
- Remove the hold down spring and cup assembly pins (1).
.gif)
Fig. 15: Brake Shoe Assembly
- Spread the top of the brake shoe assembly (1) and lift the assembly over
the wheel hub.
- Release the park brake actuator lever from the park brake cable eyelet.
.gif)
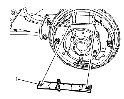
Fig. 16: Lower Brake Shoe Return Spring
- Remove the lower brake shoe return spring (1).
- Inspect the drum brake hardware and replace any components, as necessary.
Refer to Drum Brake
Hardware Inspection.
Installation Procedure
- Clean the drum brake backing plate of any dirt and debris.
- Apply a light coat of high temperature brake lubricant to the brake drum
backing plate shoe contact
surfaces.
.gif)
Fig. 17: Lower Brake Shoe Return Spring
- Install the lower brake shoe return spring (1).
.gif)
Fig. 18: Brake Shoe Assembly
- Install the park brake actuator lever to the park brake cable eyelet.
- Spread the top of the brake shoe assembly (1) and lift the assembly over
the wheel hub.
- Position the brake shoe assembly to the drum brake backing plate.
.gif)
Fig. 19: Brake Shoe Hold Down Spring And Cup Assembly Pins
- Install the hold down spring and cup assembly pins (1).
.gif)
Fig. 20: Brake Shoe Hold Down Spring & Cup Assemblies
- Install the brake shoe hold down spring and cup assemblies (1) by
compressing the spring and rotating the
assembly 1/4 turn.
.gif)
Fig. 21: Brake Shoe Adjuster Actuator Lever
- Install the brake shoe adjuster actuator lever (1).
.gif)
Fig. 22: Brake Shoe Adjuster
- Install brake shoe adjuster (1).
.gif)
Fig. 23: Upper Brake Shoe Return Spring
- Install the upper brake shoe return spring (1).
- Adjust the drum brakes. Refer to Drum Brake Adjustment.
- Install the brake drum. Refer to Brake Drum Replacement.
- Install the tire and wheel assembly. Refer to Tire and Wheel Removal and
Installation .
READ NEXT:
Removal Procedure
WARNING: Refer to Brake Dust Warning .
Raise and support the vehicle. Refer to Lifting and Jacking the Vehicle
.
Remove the tire and wheel assembly. Refer to Tire and Wheel Remo
Removal Procedure
WARNING: Refer to Brake Dust Warning .
Raise and support the vehicle. Refer to Lifting and Jacking the Vehicle
.
Remove the tire and wheel assembly. Refer to Tire and Wheel Remo
Removal Procedure
WARNING: Refer to Brake Dust Warning .
Raise and support the vehicle. Refer to Lifting and Jacking the Vehicle
.
Remove the tire and wheel assembly. Refer to Tire and Wheel Remo
SEE MORE:
KEYLESS ENTRY SYSTEM DESCRIPTION AND OPERATION
The keyless entry system is a vehicle entry device. The keyless entry system
is used in conjunction with the
door locks to unlock the vehicle. Keyless entry will lock/unlock the vehicle
doors or open the rear compartment
lid when a corresponding butto
Use a soft, clean cloth with mild
soap and water to clean the wheels.
After rinsing thoroughly with clean
water, dry with a soft, clean towel.
A wax may then be applied.
Caution
Chrome wheels and other chrome
trim may be damaged if the
vehicle is not washed after driving
on roads that have been sp